Microsystems Prototyping Laboratory


nanf211: 2 INPUT NAND / AND


Gate Level Schematic of the standard cell "nanf211".


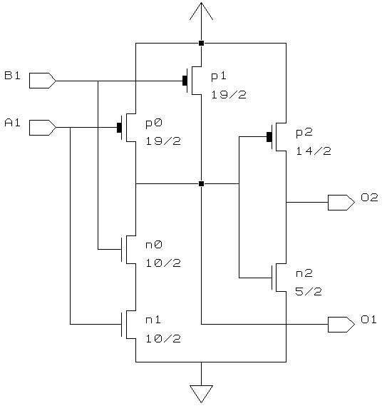
Schematic of the standard cell "nanf211" with device sizes in lambda.


Layout of the standard cell "nanf211"

here.


Logic Equation: O1 = (A1 * B1)'

O2 = A1 * B1


Input(s): A1, B1


Output(s): O1, O2


Truth Table

---------------------------
A	B	O1	O2
---------------------------
o	x	1	0
x	0	1	0
1	1	0	1
---------------------------


Terminal Location and Capacitance Table

--------------------------------------------
Name	X_loc	Y_loc	   Capacitance (fF)
	lambda  lambda   2U	1.2U	0.8U
--------------------------------------------
A1	9.5	23	70.9	34.2	22.5
B1	19	24	63.4	31.4	20.6
O1	32	18	-	-	-
O2	41	16	-	-	-
--------------------------------------------


Characterization Data