Microsystems Prototyping Laboratory


larf310: D-LATCH W / RST & ACTIVE LOW CLOCK


Gate Level Schematic of the standard cell "larf310".


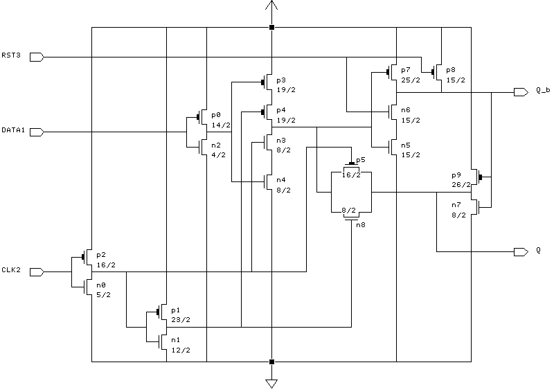
Schematic of the standard cell "larf310" with device sizes in lambda.


Layout of the standard cell "larf310"

here.


Logic Equation: Q = [(Qn-1 * CLK2) + (DATA1 * CLK2')] * RST3


Input(s): CLK2, DATA1, RST3


Output(s): Q, Q_b


Truth Table

------------------------------------------
CLK	DATA	RST	Q	Q_b
------------------------------------------
1	x	1	Qn-1	Qn-1'
0	0	1	0	1
0	1	1	1	0
x	x	0	0	1
------------------------------------------


Terminal Location and Capacitance Table

--------------------------------------------
Name	X_loc	Y_loc	   Capacitance (fF)
	lambda  lambda   2U	1.2U	0.8U
--------------------------------------------
CLK2	13.5	35	53.9	24.4	15.6
DATA1	46	44	48.7	22.9	14.7
Q	75	29.5	-	-	-
Q_b	99	26	-	-	-
RST3	110.5	41	71.6	33.8	21.9
--------------------------------------------


Characterization Data